Skip to content Skip to footer
Back to homepage

Case Study - Confidential Client, Electrochemistry

Scale Up Programme

Project

Scale Up Programme

Sector

Fine Chemicals

Project Overview

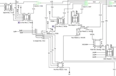
OLG’s confidential client had a novel, Inorganic product that needed to be scaled up. A number of technology options needed to be reviewed alongside a range of potential production scales. A key requirement for the project was to meet a number of significant process safety constraints.

Pilot scale work had been undertaken which indicated alternative reaction chemistry was required to contain an exotherm. This presented a key challenge to the design of the increased scale unit operations.

Project Review

OLG modelled the new process before undertaking the design. We worked on a collaborative basis with our client’s technical team to ensure that all available data was fully reviewed and applied to support the modelling work.

Our Solution

OLG was able to identify a secure basis of design for increased scale of production through a rigorous gap analysis on critical process parameters and critical quality attributes.

Get in Touch Today

Two smokestacks

Ready to discuss your next project challenge?

Contact OLG today to discover how our expertise can deliver the results you need!

Get in touch